расковырял датчик



т.е. всё гораздо проще, и его можно заколхозить не снимая наконечник с вв провода.
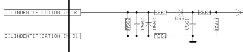
обработка сигнала, что в толмудах:
по пинам мотроника 1.3

форма сигнала

фильтр в мозгах

сам дачик проверял, на осциллографе с дачика импульсы есть. значит дачик работает.
амплитуда какая?